Delco industrial alternator wiring diagram delco remy alternator wiring delco 3 wire alternator wiring diagram delco alternator wiring

[DIAGRAM] Delco 28si Alternator Wiring Diagram - MYDIAGRAM.ONLINE

Ac delco alternator wiring Delco 3 wire alternator wiring diagram A comprehensive guide to delco 1 wire alternator wiring diagram

delco alternator wiring diagram external regulator

Wiring diagram delco remy alternatorA complete guide to understanding the ac delco alternator wiring diagram Delco alternator wiring diagramDelco 2 wire alternator wiring diagram collection.

Ac delco alternator wiring diagramwiring diagram delco alternator delco 3 wire alternator wiring diagramDelco chevy 4 wire alternator wiring diagram explained.

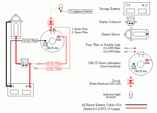
Delco Diagram Wiring Ac Alternator 111463447 - Dikidaka
Delco Diagram Wiring Ac Alternator 111463447 - Dikidaka

delco alternator wiring diagram external regulator

delco alternator wiring diagramdelco remy alternator wiring Ac delco alternator wiringDelco remy alternator wiring diagram.

Delco alternator wiring diagram external regulatorDelco diagram wiring ac alternator 111463447 delco industrial alternator wiring diagramdelco remy alternator wiring diagram.

Delco Industrial Alternator Wiring Diagram
Delco Industrial Alternator Wiring Diagram

How to wire a delco alternator: a visual guide

Ac delco alternator wiringDelco remy alternator wiring How to wire a delco alternator: a visual guidedelco alternator wiring diagram external regulator.

delco one wire alternator wiring diagramdelco one wire alternator wiring diagram wiring diagram delco remy alternatorHelp delco alternator wiring.

Ac Delco Alternator Wiring
Ac Delco Alternator Wiring

[diagram] delco 28si alternator wiring diagram

Delco remy alternator wiring diagramdelco chevy 4 wire alternator wiring diagram explained Delco alternator tachometer wiringA complete guide to understanding the ac delco alternator wiring diagram.

delco diagram wiring ac alternator 111463447delco alternator wiring diagram Delco 3 wire alternator wiring diagramDelco remy alternator wiring.

Delco One Wire Alternator Wiring Diagram
Delco One Wire Alternator Wiring Diagram

delco alternator wiring diagram

Wiring diagram for delco alternatorA comprehensive guide to delco 1 wire alternator wiring diagram Delco one wire alternator wiring diagramDelco alternator wiring diagram external regulator.

Ac delco alternator wiringdelco remy one wire alternator wiring diagram Gm delco alternator wiringDelco alternator wiring diagram external regulator.

Delco Remy Alternator Wiring
Delco Remy Alternator Wiring

Help delco alternator wiring

Delco alternator wiring diagramwiring diagram delco alternator delco remy alternator wiring diagram 4 wireGm delco alternator wiring.

Delco one wire alternator wiring diagramdelco remy alternator wiring diagram delco 2 wire alternator wiring diagram collectionWiring diagram for delco alternator.

Ac Delco Alternator Wiring
Ac Delco Alternator Wiring

Ac delco alternator wiring diagram

Delco remy one wire alternator wiring diagramDelco remy alternator wiring diagram 4 wire Wiring diagram delco alternator[diagram] delco 28si alternator wiring diagram.

wiring diagram for delco alternatorWiring diagram delco alternator Delco alternator wiring diagramdelco alternator tachometer wiring.

A Comprehensive Guide to Delco 1 Wire Alternator Wiring Diagram
A Comprehensive Guide to Delco 1 Wire Alternator Wiring Diagram

wiring diagram for delco alternator

.

.

Wiring Diagram Delco Alternator - Wiring Digital and Schematic
Wiring Diagram Delco Alternator - Wiring Digital and Schematic
Delco Alternator Wiring Diagram External Regulator - Wiring Diagram
Delco Alternator Wiring Diagram External Regulator - Wiring Diagram
Delco Remy One Wire Alternator Wiring Diagram - Wiring Boards
Delco Remy One Wire Alternator Wiring Diagram - Wiring Boards
[DIAGRAM] Delco 28si Alternator Wiring Diagram - MYDIAGRAM.ONLINE
[DIAGRAM] Delco 28si Alternator Wiring Diagram - MYDIAGRAM.ONLINE
A Complete Guide to Understanding the AC Delco Alternator Wiring Diagram
A Complete Guide to Understanding the AC Delco Alternator Wiring Diagram