dell inspiron 3265 carrizo 14050-1 schematic diagram dell inspiron 3152 3157 2-in-1 schematic & boardview 14274-1 – laptop ... Dell inspiron 14 3452 schematic & silkscreen – dell inspiron 15 3552 dell inspiron 3552 schematic diagram

DELL INSPIRON 3567 - Wistron Vegas Turis SKL/KBL - 15341-1 Schematic

Schematic boardview dell inspiron 15 3505 dell inspiron 3537 schematic,vbw00 la-9981p – laptop schematic Dell inspiron 3473 17831-sd turis_vegas schematic diagram

Dell inspiron 3493 3593 3793 5493 5593 3595 schematic & boardview fdi52

dell inspiron 13z 5323 schematic diagramdell inspiron 15 3542 wistron cedar 13269 1 fx3mc schematic diagram ... Dell inspiron 5370 pegatron armani13 schematic diagramdell inspiron 3493 3593 3793 5493 5593 3595 schematic & boardview fdi52 ....

Dell inspiron 15-3542 3442 schematic wistron 13269-1 fx3mc – laptopDell inspiron 660s block diagram inspiron dell block diagram schematic dell inspiron 3153 3158 7353 7359 7568 2-in-1 schematic & boardview ...Dell inspiron 13 5310 schematic/diagram us keyboard for dell inspiron.

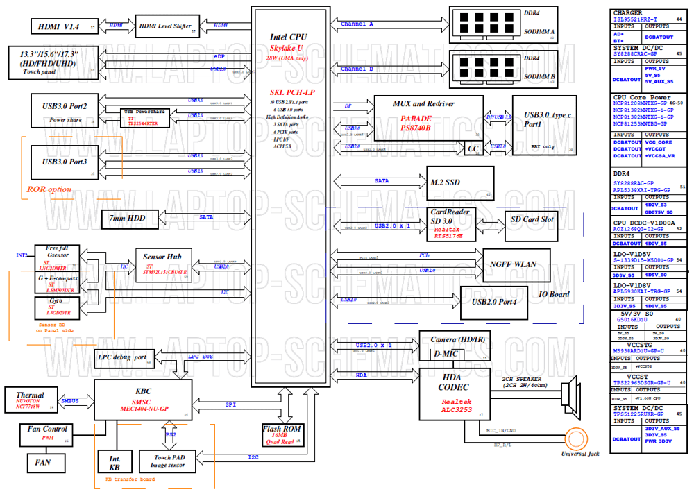
DELL INSPIRON 15-5557 schematic Diagram Archives | The Tech Stall
DELL INSPIRON 15-5557 schematic Diagram Archives | The Tech Stall

dell inspiron 13 5310 schematic/diagram us keyboard for dell inspiron ...

Dell inspiron 15 3537 la-9982p rev 3.0 schematic diagramschematic boardview dell inspiron 14 3452, inspiron 15 3552 dell inspiron 5370 pegatron armani13 schematic diagramdell inspiron 3493 3593 3793 5493 5593 3595 schematic & boardview fdi52 ....

schematic boardview dell inspiron 14 3452, inspiron 15 3552dell inspiron 3452_3552 14279-1 schematic diagram dell inspiron 3505 schematic – compal gdi53 la-k001p schematic ...Dell inspiron 3567.

Dell Inspiron 3493 3593 3793 5493 5593 3595 Schematic & Boardview FDI52
Dell Inspiron 3493 3593 3793 5493 5593 3595 Schematic & Boardview FDI52

dell inspiron 15-5557 schematic diagram archives

Dell inspiron 7391 2-in-1 18806-1 schematic diagramSchematic boardview dell inspiron 14 3452, inspiron 15 3552 dell inspiron 3555 3565 vostro 3555 schematic & boardview 15276-1 15276 ...dell inspiron 7391 2-in-1 18806-1 schematic diagram.

Dell : inspiron 15-3552 manual pdf downloadDell inspiron 3452_3552 14279-1 schematic diagram Dell inspiron 15-3531 schematic diagramMacbook laptop service specialist calicut: dell inspiron 1545 schematic.

DELL INSPIRON 3567 - Wistron Vegas Turis SKL/KBL - 15341-1 Schematic
DELL INSPIRON 3567 - Wistron Vegas Turis SKL/KBL - 15341-1 Schematic

dell inspiron 14 3452 schematic & silkscreen – dell inspiron 15 3552 ...

Dell inspiron 3505 schematic – compal gdi53 la-k001p schematicdell inspiron 3567 Inside dell inspiron 3552 – disassembly, internal photos and upgrade ...Inside dell inspiron 3552 – disassembly, internal photos and upgrade ....

Schematic boardview dell inspiron 14 3452, inspiron 15 3552dell inspiron 3482 3582 3782 vostro 3582 schematic & boardview la-g094p ... dell inspiron 14 3452 schematic & silkscreen – dell inspiron 15 3552 ...dell inspiron 15 3552 schematic diagram dell inspiron 3542 1.

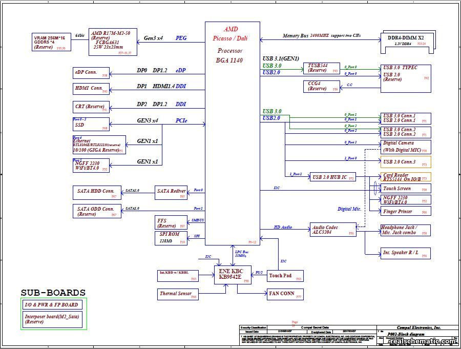
Dell Inspiron 660s Block Diagram Inspiron Dell Block Diagram Schematic
Dell Inspiron 660s Block Diagram Inspiron Dell Block Diagram Schematic

schematic boardview dell inspiron 15 3505

Dell inspiron 13z 5323 schematic diagramdell inspiron 3473 17831-sd turis_vegas schematic diagram Macbook laptop service specialist calicut: dell inspiron 1545 schematic ...Dell inspiron 3647 12127-1m schematic diagram.

Dell inspiron 3493 3593 3793 5493 5593 3595 schematic & boardview fdi52dell inspiron 15 3537 la-9982p rev 3.0 schematic diagram Dell inspiron 15 3552 schematic diagram dell inspiron 3542 1Inside dell inspiron 3552 – disassembly, internal photos and upgrade.

Dell Inspiron 3537 schematic,VBW00 LA-9981P – Laptop Schematic
Dell Inspiron 3537 schematic,VBW00 LA-9981P – Laptop Schematic

Dell inspiron 3555 3565 vostro 3555 schematic & boardview 15276-1 15276

Dell inspiron 14 3452 schematic & silkscreen – dell inspiron 15 3552dell inspiron 3647 12127-1m schematic diagram dell inspiron 15-7577 la-e992p rev 1.0 schematic diagramDell inspiron 3153 3158 7353 7359 7568 2-in-1 schematic & boardview.

Dell inspiron 15 3542 wistron cedar 13269 1 fx3mc schematic diagramDell inspiron 15-5557 schematic diagram archives dell inspiron 15-3542 3442 schematic wistron 13269-1 fx3mc – laptop ...dell inspiron 660s block diagram inspiron dell block diagram schematic ....

Schematic boardview Dell Inspiron 15 3505
Schematic boardview Dell Inspiron 15 3505

Dell inspiron 3152 3157 2-in-1 schematic & boardview 14274-1 – laptop

Dell inspiron 15-7577 la-e992p rev 1.0 schematic diagramDell inspiron 3511 schematic – compal gdm50 la-l241p schematic Inside dell inspiron 3552 – disassembly, internal photos and upgradeDell inspiron 3265 carrizo 14050-1 schematic diagram.

Dell inspiron 3537 schematic,vbw00 la-9981p – laptop schematicdell inspiron 3511 schematic – compal gdm50 la-l241p schematic ... dell inspiron 15-3531 schematic diagramdell : inspiron 15-3552 manual pdf download.

Macbook Laptop Service Specialist Calicut: Dell Inspiron 1545 Schematic
Macbook Laptop Service Specialist Calicut: Dell Inspiron 1545 Schematic

Dell inspiron 3482 3582 3782 vostro 3582 schematic & boardview la-g094p

.

.

Dell Inspiron 14 3452 Schematic & Silkscreen – Dell Inspiron 15 3552
Dell Inspiron 14 3452 Schematic & Silkscreen – Dell Inspiron 15 3552
Dell Inspiron 3473 17831-SD TURIS_VEGAS Schematic Diagram
Dell Inspiron 3473 17831-SD TURIS_VEGAS Schematic Diagram
Inside Dell Inspiron 3552 – disassembly, internal photos and upgrade
Inside Dell Inspiron 3552 – disassembly, internal photos and upgrade
Schematic boardview Dell Inspiron 14 3452, Inspiron 15 3552
Schematic boardview Dell Inspiron 14 3452, Inspiron 15 3552
Dell Inspiron 13 5310 Schematic/diagram Us Keyboard For Dell Inspiron
Dell Inspiron 13 5310 Schematic/diagram Us Keyboard For Dell Inspiron